對夾蝶閥
您的位置:超卓閥門 >>對夾蝶閥 >> D971F電動對夾襯氟蝶閥D971F電動對夾襯氟蝶閥
D971F電動襯氟蝶閥是用閥桿一起轉動的蝶板作啟閉件,用以實現閥門的開啟,關閉與調節。襯里蝶閥是在過流部件、閥體、蝶板、閥桿上采用襯里技術襯里較厚的高分子材料,防腐蝕性能優良,可適用于任何濃度的酸、堿、鹽及氧化劑、還原劑、有機溶劑等介質,是化工、石油、醫藥、食品、鋼鐵冶煉、造紙、水電等系統的氣體、液體、半流體的管路和容器上作截流和調節設備使用的理想產品,并可取代閘閥、截止閥和其它類型的切斷、調節閥門。
用途:本廠生產的全襯聚四氟乙烯(F4)、聚三氟氯乙烯(F3)和聚全氟乙丙烯(F46)氟塑料襯里閥,具有耐腐蝕、無泄漏、壽命長等優點。 適用于濃硫酸、鹽酸、硝酸、氫氟酸、王水、各種有機酸、強酸、氧化性介質或高溫烯硫酸、高溫濃醋酸、酸堿交替及多種有機溶劑和其它強腐蝕性介質。
1、設計新穎、合理、結構獨特,重量輕,啟閉迅速。
2、操力矩小,操作方便,省力靈巧。
3、可以任何位置安裝,維修方便。
4、密封件可以更換,密封性能可靠達到雙向密封零泄漏。
5、密封材料耐老化、耐腐蝕,使用壽命長等特點。
D971F電動對夾襯氟蝶閥 襯里材料
1、聚全氟乙丙烯 FEP F46
2、四氟乙烯-乙烯 E-TFE F40
3、可溶性四氟 PFA FA
4、聚四氟乙烯 PTFE F4
5、聚偏二氟乙烯 PVDF F2
6、改性聚乙烯 FRPE PO
D971F電動對夾襯氟蝶閥 執行機構
CH系列特點:
1.功能強勁:智能型、調節型、開關式。
2.體積小巧:體積僅相當于同類產品的35%左右。
3.使用方便:采用單相電源,接線簡單;采用獨創的球型凸出結構,使觀察更方便;免加油免點檢、防水防銹、任意角度安裝。
4.保護裝置有雙重限位、過熱保護、過載保護。全行程時間15秒、30秒、45秒、60秒。及帶手動功能。
5.智能數控:內置模塊采用先進計算機單片及智能控制軟件直接接收計算機或工業儀表等輸出的標準信號(4-20mA DC /1-5VDC)實現閥門開度的智能控制和精確定位。
DZW系列特點:
1.電源:電機為三相交流,380V(特殊訂貨660V、440V或220V),50Hz(特殊訂貨60Hz);控制線電壓220V/50Hz(特殊訂貨60Hz);遠程控制電壓24VDC。
2.工作環境:
3.環境溫度:-20—+60℃(特殊訂貨-60—+80℃)
4.相對溫度:≤90%(25℃時)
5.普通型和戶外型用于無易燃/易爆和無腐蝕性介質的場所;防爆型產品有dⅠ和dⅡBT4兩種,dⅠ適用于煤礦非采掘工作面;dⅡBT4用于工廠,適用于環境為ⅡA、ⅡB級T1-T4組的爆炸性 氣體混合物。(詳見GB3836.1)
6 防護等級:戶外型和防爆型為IP55(可訂制IP67)。
7. 工作制:為短時10分鐘(可訂制30分鐘)。
D971F電動對夾襯氟蝶閥 采用標準
|
設計標準 |
GB/T2238-1989 |
|
法蘭連接尺寸 |
GB/T9113.1-2000;GB/T9115.1-2000;JB78 |
|
結構長度 |
GB/T12221-1989 |
|
壓力試驗 |
GB/T13927-1992;JB/T9092-1999 |
D971F電動對夾襯氟蝶閥 主要技術參數
|
公稱通徑 |
DN(mm) |
50~2000 |
||
|
公稱壓力 |
PN(MPa) |
0.6 |
1.0 |
1.6 |
|
試驗壓力 |
強度試驗 |
0.9 |
1.5 |
2.4 |
|
密封試驗 |
0.66 |
1.1 |
1.76 |
|
|
氣密封試驗 |
0.6 |
0.6 |
0.6 |
|
|
適用介質 |
||||
|
驅動形式 |
手動、蝸桿蝸輪傳動、氣傳動、電傳動。 |
|||
D971F電動對夾襯氟蝶閥 主要零件材質
|
零件名稱 |
材料 |
|
閥體 |
球墨鑄鋼、鑄鋼、合金鋼、不銹鋼 |
|
蝶板 |
|
|
密封圈 |
各種橡膠、聚四氟 |
|
閥桿 |
2Cr13、不銹鋼 |
|
填料 |
O型圈、柔性石墨O |
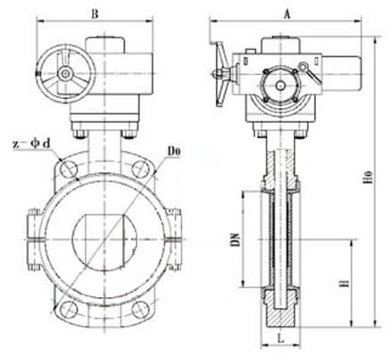
D971F電動對夾襯氟蝶閥 外形尺寸
|
電動襯氟蝶閥(全襯) 結構圖 |
|
公稱通徑 |
結構長度 |
外形尺寸 |
連接尺寸(標準值) |
|||||||||
|
0.6MPa |
1.0MPa |
1.6MPa |
||||||||||
|
毫米 |
英寸 |
L |
H |
H0 |
A |
B |
D0 |
n-φd |
D0 |
n-φd |
D0 |
n-φd |
|
50 |
2 |
43 |
63 |
438 |
125 |
125 |
110 |
4-14 |
125 |
4-18 |
125 |
4-18 |
|
65 |
21/2 |
46 |
70 |
453 |
125 |
125 |
130 |
4-14 |
145 |
4-18 |
145 |
4-18 |
|
80 |
3 |
46 |
83 |
478 |
125 |
125 |
150 |
4-18 |
160 |
8-18 |
160 |
8-18 |
|
100 |
4 |
52 |
105 |
519 |
125 |
125 |
170 |
4-18 |
180 |
8-18 |
180 |
8-18 |
|
125 |
5 |
56 |
115 |
713 |
325 |
245 |
200 |
8-18 |
210 |
8-18 |
210 |
8-18 |
|
150 |
6 |
56 |
137 |
749 |
325 |
245 |
225 |
8-18 |
240 |
8-22 |
240 |
8-22 |
|
200 |
8 |
60 |
164 |
843 |
325 |
245 |
280 |
8-18 |
295 |
8-22 |
295 |
12-22 |
|
250 |
10 |
68 |
206 |
947 |
363 |
313 |
335 |
12-18 |
350 |
12-22 |
355 |
12-26 |
|
300 |
12 |
78 |
230 |
1013 |
363 |
313 |
395 |
12-22 |
400 |
12-22 |
410 |
12-26 |
|
350 |
14 |
78 |
248 |
1046 |
363 |
313 |
445 |
12-22 |
460 |
16-22 |
470 |
16-26 |
|
400 |
16 |
102 |
289 |
1135 |
363 |
313 |
495 |
16-22 |
515 |
16-26 |
525 |
16-30 |
|
450 |
18 |
114 |
320 |
1328 |
465 |
439 |
550 |
16-22 |
565 |
20-26 |
585 |
20-30 |
|
500 |
20 |
127 |
343 |
1226 |
546 |
431 |
600 |
20-22 |
620 |
20-26 |
650 |
20-33 |
|
600 |
24 |
154 |
413 |
1394 |
546 |
556 |
705 |
20-26 |
725 |
20-30 |
770 |
20-36 |
|
700 |
28 |
165 |
478 |
1534 |
546 |
556 |
810 |
24-26 |
840 |
24-30 |
840 |
24-36 |
|
800 |
32 |
190 |
525 |
1659 |
546 |
556 |
920 |
24-30 |
950 |
24-33 |
950 |
24-39 |
|
900 |
36 |
203 |
585 |
1748 |
617 |
706 |
1020 |
24-30 |
1050 |
28-33 |
1050 |
28-39 |
|
1000 |
40 |
216 |
640 |
1805 |
632 |
706 |
1120 |
28-30 |
1160 |
28-36 |
1170 |
28-42 |
|
1200 |
48 |
254 |
755 |
2035 |
632 |
706 |
1340 |
32-33 |
1380 |
32-39 |
1390 |
32-48 |
|
1400 |
56 |
279 |
910 |
2310 |
790 |
1338 |
1560 |
36-36 |
1590 |
36-42 |
1590 |
36-48 |
|
1600 |
64 |
318 |
1030 |
2845 |
868 |
1476 |
1760 |
40-36 |
1820 |
40-48 |
1820 |
40-56 |
|
1800 |
72 |
356 |
1140 |
3060 |
868 |
1476 |
1970 |
44-39 |
2020 |
44-48 |
2020 |
44-56 |
|
2000 |
80 |
406 |
1250 |
3350 |
965 |
1600 |
2180 |
48-42 |
2230 |
48-48 |
2230 |
48-62 |
注:若用戶需用閥板襯橡膠等特殊要求,訂貨時請注明。





