電動球閥
您的位置:超卓閥門 >>電動球閥 >> ZDRV電動球閥ZDRV電動球閥
| 產品型號: | ZDRV電動V型調節球閥 |
| 產品特點: | 電動V型球閥概述 電動V型球閥是一種芯閥座采用金屬,或金屬對聚四氟乙烯密封配合的旋轉球閥,它將球閥和蝶閥的最佳控制特性結合成一體,既可用作控制調節閥,又可作關斷切斷閥。 |
電動V型球閥概述
電動V型球閥是一種芯閥座采用金屬,或金屬對聚四氟乙烯密封配合的旋轉球閥,它將球閥和蝶閥的最佳控制特性結合成一體,既可用作控制調節閥,又可作關斷切斷閥。其主要特點是:
(1)不帶任何管接頭的整體式閥體,因此不受管道或螺栓應力影響,并且由于閥體無任何管接頭,故耐壓殼體不會受壓力“突變”的影響;
(2)具有一個V型閥體,即使在小流量或高粘度介質的情況下,也可在整個量程范圍內,保證控制的精確性;
(3)防漏耐用的閥座在其外徑處襯有帶不銹鋼內芯PTFE杯形或是O型密封圈,閥座用截面較大的鎢鈷硬質合金制成,通過一個合金的波紋彈簧進一步增強了閥座的結構;
(4)當閥門關閉時,V型缺口與閥座之間產生楔形剪切作用,并既具有自潔功能又可防止球芯卡死,特別適用于管線結垢凍結或含有纖維和顆粒固體場合。
適用于高粘度、懸浮液、紙漿等不干凈、含纖維介質場合。采用直連方式與執行機構連接,具有結構緊湊、尺寸小、重量輕、阻力小、動作穩定可靠等優點。執行機構根據用戶要求配置UNIC、PSQ、HQ、DHL等型號電子式電動執行機構或GTX、AL等氣動活塞式執行機構。
電動球閥技術參數
|
||||||||||||||||||||||||||||||||||||||||||||||||||||||||||||||||
電動球閥性能
基本誤差 |
回差 | 死區 | 輸入信號 | 輸出信號 |
| 全行程的 ≤±2% |
全行程的 ≤±2% |
全行程的 ≤0.8% |
4~20mADC | 4~20mADC |
| 公稱通徑D(mm) | 25 | 32 | 40 | 50 | 65 | 80 | 100 | 125 | 150 | 200 | 250 | 300 | 350 | 400 |
| 額定流量系數Cv | 32 | 43 | 78 | 90 | 160 | 250 | 360 | 610 | 1120 | 1850 | 2950 | 3700 | 7195 | 11466 |
| 公稱壓力PN(MPa) | 1.6、2.5、4.0、6.4 | |||||||||||||
| 流量特性 | 近似等百分比(參見典型曲線圖)、直線特性 | |||||||||||||
| 閥板轉角(度) | 0°~至90°(可調) | |||||||||||||
| 允許泄漏量等級 | 軟密封:零泄露 硬密封:≤額定Cv×0.001% |
軟密封:VI微氣泡級,金屬密封:≤額定CV×0.065% | ||||||||||||
| 動作時間(S/90度) | 8.5~30 | 36~60 | ||||||||||||
| 可調節比 | 250:1 | 300:1 | ||||||||||||
電動球閥流量特性曲線


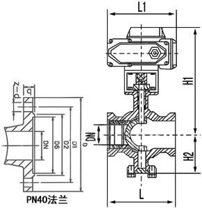
電動球閥外形尺寸
|
|||||||||||||||||||||||||||||||||||||||||||||||||||||||||||||||||||||||||||||||||||||||||||||||||||||||||||||||||||||||||||||||||||||||||||||||||||||||||||
電動調節球閥訂貨須知
訂貨時請填寫《規格書》或注明以下內容:
一、若訂貨前還未選定型號,請向我們提供您的使用參數:1.公稱通徑、額定流量系數KV,
2.流體性質(包括公稱壓力、溫度、粘度或酸堿性),3.閥作用形式(電-關式或電-開式),4.流量特性,
5.閥前、閥后壓力,6.閥體、閥芯材料,7.輸入信號,8.是否帶附件,說明附件型號。以便我們的為您正確選型。
二、若已經由設計單位選定我公司的產品型號,請按型號直接向我司銷售部訂購;
三、當使用的場合非常重要或管路比較復雜時,請您盡量提供設計圖紙和詳細參數,由我們的專家為您審核把關。




