襯膠止回閥
您的位置:超卓閥門 >>襯膠止回閥 >> H41J襯膠止回閥H41J襯膠止回閥
|
H41J襯膠止回閥是一種依靠介質本身的流動而自動啟閉閥瓣用來阻止介質逆向流動的自動。 襯膠止回閥設計規范 遵循GB/T 12235,GB/T 12236,API 6D標準 |
|
H41J襯膠止回閥主要零部件材料表 |
|
序號 |
零件名稱 |
灰鑄鐵 |
鑄鋼 |
不銹耐酸鑄鋼 |
超低碳不銹耐酸鑄鋼 |
||
|
Z |
C |
P |
R |
PL |
RL |
||
|
1 |
閥體/閥蓋 |
HT250 |
WCB |
CF8 |
CF8M |
CF3 |
CF3M |
|
2 |
閥瓣/閥桿 |
35 |
1Cr13 |
1Cr18Ni9 |
1Cr18Ni12Mo2Ti |
00Cr18Ni10 |
00Cr17Ni14Mo2 |
|
3 |
襯里/閥座 |
PCTEF(F3),FEP(F46),PFA(可溶F4),PP,PO |
|||||
|
4 |
緊固螺栓 |
WCB |
1Cr17Ni2 |
1Cr18Ni9Ti |
|||
|
5 |
螺母 |
PTFE(F4) |
CF8 |
CF8 |
|||
|
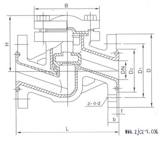
H41J襯膠止回閥主要外形和連接尺寸 |
|
公稱通經 |
L |
D |
D1 |
D2 |
f |
b |
Z-φd |
D |
D1 |
D2 |
f |
b |
Z-φd |
|
|
DN(mm) |
NPS(inch) |
PN1.0MPa |
PN1.6MPa |
|||||||||||
|
15 |
1/2 |
130 |
95 |
65 |
45 |
2 |
14 |
4-φ14 |
130 |
95 |
65 |
2 |
14 |
4-φ14 |
|
20 |
3/4 |
150 |
105 |
75 |
55 |
2 |
16 |
4-φ14 |
150 |
105 |
75 |
2 |
16 |
4-φ14 |
|
25 |
1 |
160 |
115 |
85 |
65 |
2 |
16 |
4-φ14 |
160 |
115 |
85 |
2 |
16 |
4-φ14 |
|
32 |
5/4 |
180 |
135 |
100 |
78 |
2 |
18 |
4-φ18 |
180 |
135 |
100 |
2 |
18 |
4-φ18 |
|
40 |
3/2 |
200 |
145 |
110 |
85 |
3 |
18 |
4-φ18 |
200 |
145 |
110 |
3 |
18 |
4-φ18 |
|
50 |
2 |
230 |
160 |
125 |
100 |
3 |
20 |
4-φ18 |
230 |
160 |
125 |
3 |
20 |
4-φ18 |
|
65 |
5/2 |
290 |
180 |
145 |
120 |
3 |
20 |
4-φ18 |
290 |
180 |
145 |
3 |
20 |
4-φ18 |
|
80 |
3 |
310 |
195 |
160 |
135 |
3 |
22 |
4-φ18 |
310 |
195 |
160 |
3 |
22 |
4-φ18 |
|
100 |
4 |
350 |
215 |
180 |
155 |
3 |
22 |
8-φ18 |
350 |
215 |
180 |
3 |
24 |
8-φ18 |
|
125 |
5 |
400 |
245 |
210 |
185 |
3 |
24 |
8-φ18 |
400 |
245 |
210 |
3 |
26 |
8-φ18 |
|
150 |
6 |
480 |
280 |
240 |
210 |
3 |
24 |
8-φ23 |
480 |
280 |
240 |
3 |
28 |
8-φ23 |
|
200 |
8 |
600 |
335 |
295 |
265 |
3 |
26 |
8-φ23 |
495 |
335 |
295 |
3 |
30 |
12-φ23 |
|
250 |
10 |
622 |
390 |
350 |
320 |
3 |
28 |
12-φ23 |
622 |
405 |
355 |
3 |
32 |
12-φ25 |
|
300 |
12 |
698 |
440 |
400 |
368 |
4 |
28 |
12-φ23 |
698 |
460 |
410 |
4 |
34 |
12-φ25 |
|
350 |
14 |
787 |
500 |
460 |
428 |
4 |
30 |
16-φ23 |
787 |
520 |
470 |
4 |
38 |
16-φ25 |
|
400 |
16 |
914 |
565 |
515 |
482 |
4 |
32 |
16-φ25 |
914 |
580 |
525 |
4 |
40 |
16-φ30 |
|
450 |
18 |
978 |
615 |
565 |
532 |
4 |
32 |
20-φ25 |
|
|
|
|
|
|
|
500 |
20 |
978 |
670 |
620 |
585 |
4 |
34 |
20-φ25 |
|
|
|
|
|
|
H41J襯膠止回閥訂貨須知:
一、①襯膠止回閥產品名稱與型號②襯膠止回閥口徑③襯膠止回閥是否帶附件以便我們的為您正確選型④襯膠止回閥的使用壓力⑤襯膠止回閥的使用介質的溫度。
二、若已經由設計單位選定公司的襯膠止回閥型號,請按襯膠止回閥型號直接向我司銷售部訂購。
三、當使用的場合非常重要或環境比較復雜時,請您盡量提供設計圖紙和詳細參數,由我們公司專家為您審核把關。
更多襯膠、襯氟隔膜閥的相關產品:





