電動蝶閥
您的位置:超卓閥門 >>電動蝶閥 >> D941X電動襯膠開關蝶閥D941X電動襯膠開關蝶閥
D941X電動襯膠開關蝶閥產品概述
D941X電動襯膠開關蝶閥的蝶板安裝于管道的直徑方向。電動襯膠開關蝶閥不僅具有優良的防腐、(耐堿、鹽性能,耐弱酸侵蝕)耐磨、減磨性能,(比普通蝶閥使用壽命可明顯延長)而且具有無毒、抗菌、防霉等特點,更有操作力矩小,(比普通有銷蝶閥降低百分之四十)維修方便,外形美觀等突出優點。電動襯膠開關蝶閥在管道中一般應當水平安裝。電動襯膠開關蝶閥由橡膠密封蝶閥和碳鋼或不銹鋼閥板、閥桿構成。電動襯膠開關蝶閥適用于溫度≤80~120℃如食品、醫藥、化工、石油、電力、輕紡、造紙等給排水、氣體管道上作調節流量和截流介質的作用。
D941X電動襯膠開關蝶閥產品特點
(1)采用襯膠無銷,保證了介質與金屬完全隔離,提高了產品的可靠性。
(2)密封面耐磨性好(橡膠耐磨性是銅的七倍)。
(3)可以任何位置安裝,維修方便。
(4)密封件可以更換,密封性能可靠達到雙向密封零泄漏。
(5)橡膠材料無任何毒性,并且抗菌、抗霉。
D941X電動襯膠開關蝶閥主要設計標準
|
設計標準 |
GB/T2238-1989 |
|
法蘭連接尺寸 |
GB/T9113.1-2000;GB/T9115.1-2000;JB78 |
|
結構長度 |
GB/T12221-1989 |
|
壓力試驗 |
GB/T13927-2000;JB/T9092-1999 |
D941X電動襯膠開關蝶閥主要零件材料
|
零件名稱 |
材料 |
|
閥體 |
球墨鑄鋼+NBR、鑄鋼+NBR、不銹鋼+NBR |
|
蝶板 |
|
|
閥桿 |
2Cr13、不銹鋼 |
|
填料 |
O型圈、柔性石墨 |
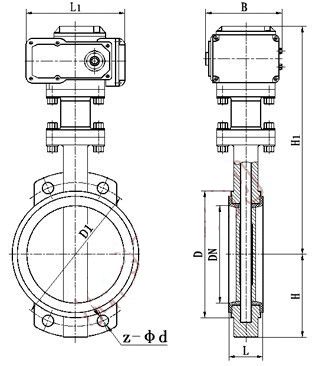
D941X電動襯膠開關蝶閥執行器參數及特點
(1)功能強勁:智能型、調節型、開關式。
(2)體積小巧:體積僅相當于同類產品的35%左右。
(3)使用方便:采用單相電源,接線簡單;采用獨創的球型凸出結構,使觀察更方便;免加油免點檢、防水防銹、任意角度安裝。
(4)保護裝置有雙重限位、過熱保護、過載保護。全行程時間15秒、30秒、45秒、60秒。及帶手動功能。
(5)智能數控:內置模塊采用先進計算機單片及智能控制軟件直接接收計算機或工業儀表等輸出的標準信號(4-20mA DC /1-5VDC)實現閥門開度的智能控制和精確定位。
也可選用3810系列或NA系列電子式角行程執行機構.亦可選用PSQ系列或HR系列。≥DN600口徑閥門一般采用380VAC電動執行器。
D941X電動襯膠開關蝶閥主要性能規范
|
公稱通徑DN(mm) |
DN50~1200 |
|||
|
公稱壓力 |
PN(MPa) |
0.6 |
1.0 |
1.6 |
|
試驗壓力 |
強度試驗 |
0.9 |
1.5 |
2.4 |
|
密封試驗 |
0.66 |
1.1 |
1.76 |
|
|
低壓氣密試驗 |
0.5~0.7 |
|||
|
適用介質 |
||||
|
電動襯膠法蘭蝶閥 |
電動軟密封蝶閥 (全襯膠、半襯膠) |
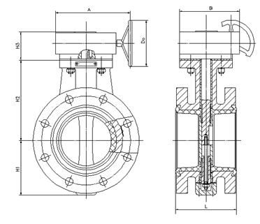
D941X電動襯膠開關蝶閥安裝連接尺寸
|
公稱通經(DN) |
主要尺寸 |
法蘭尺寸 |
||||||||
|
L |
L1 |
H |
H1 |
1.0MPa |
1.6MPa |
|||||
|
D |
D1 |
n-Фd |
D |
D1 |
n-Фd |
|||||
|
50 |
108 |
43 |
63 |
530 |
165 |
125 |
4-18 |
165 |
125 |
4-18 |
|
65 |
112 |
46 |
70 |
530 |
185 |
145 |
4-18 |
185 |
145 |
4-18 |
|
80 |
114 |
46 |
83 |
565 |
200 |
160 |
4-18 |
200 |
160 |
8-18 |
|
100 |
127 |
52 |
105 |
600 |
220 |
180 |
8-18 |
220 |
180 |
8-18 |
|
125 |
140 |
56 |
115 |
640 |
250 |
210 |
8-18 |
250 |
210 |
8-18 |
|
150 |
140 |
56 |
137 |
705 |
285 |
240 |
8-22 |
285 |
240 |
8-22 |
|
200 |
152 |
60 |
164 |
775 |
340 |
295 |
8-22 |
340 |
295 |
12-22 |
|
250 |
165 |
68 |
206 |
945 |
395 |
350 |
12-22 |
405 |
355 |
12-26 |
|
300 |
178 |
78 |
230 |
1070 |
445 |
400 |
12-22 |
460 |
410 |
12-26 |
|
350 |
190 |
78 |
248 |
1140 |
505 |
460 |
16-22 |
520 |
470 |
12-26 |
|
400 |
216 |
102 |
289 |
1210 |
565 |
515 |
16-26 |
580 |
525 |
16-26 |
|
450 |
222 |
114 |
320 |
1335 |
615 |
565 |
20-26 |
640 |
585 |
16-30 |
|
500 |
229 |
127 |
342 |
1415 |
670 |
620 |
20-26 |
715 |
650 |
20-30 |
|
600 |
267 |
154 |
413 |
1605 |
780 |
725 |
20-30 |
840 |
770 |
20-33 |
|
700 |
430 |
165 |
478 |
1844 |
895 |
840 |
24-30 |
910 |
840 |
24-36 |
|
800 |
470 |
190 |
525 |
2040 |
1015 |
950 |
24-33 |
1025 |
950 |
24-39 |
|
900 |
510 |
203 |
585 |
2255 |
1115 |
1050 |
28-33 |
1125 |
1050 |
28-39 |
|
1000 |
550 |
216 |
640 |
2380 |
1230 |
1160 |
28-36 |
1255 |
1170 |
28-42 |
|
1200 |
630 |
254 |
755 |
2640 |
1455 |
1380 |
32-39 |
1485 |
1390 |
32-48 |
D941X電動襯膠開關蝶閥產品選型
(1) 電動襯膠開關蝶閥閥體參數:公稱通徑、工作壓力、工藝介質、使用場合、閥體材料等系列參數。
(2) 電動襯膠開關蝶閥執行器參數:電源電壓、控制方式(開關型,調節型)、控制信號(4-20mA,1-5V)、作用方式(電-開式,電-關式)
電動蝶閥的相關產品:






