止回閥
您的位置:超卓閥門 >>止回閥 >> HH47X蝶式緩沖止回閥HH47X蝶式緩沖止回閥
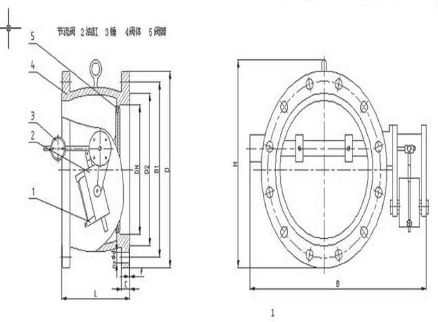
HH47X蝶式緩沖止回閥主要用于工業供水、污水處理廠的水泵出口處,防止官網中介質逆流。自動消除破壞性水錘,從而保證水泵和管路不受損壞。該閥門主要由閥體、閥瓣、緩沖裝置和微量調節閥裝成。該產品具有機構新穎、體積小、流體阻力小、運行平穩、密封可靠、耐磨損、緩沖性能好等特點,是工業用水和城市排污的最佳產品。
HH47X蝶式緩沖止回閥主要技術參數
|
型號 |
公稱壓力 |
試驗壓力PSPN(MPa) |
工作壓力 |
介質溫度 |
適用介質 |
|
|
PN(MPa) |
殼體 |
密封 |
P(MPa) |
(℃) |
||
|
H47X、H47H、Hh47x、Hh47H、H47XfHDH47X |
1 |
1.5 |
1.1 |
1 |
0~80℃ |
水、油品 |
|
1.6 |
2.4 |
1.75 |
1.6 |
海水、污水 |
||
|
2.5 |
3.75 |
2.75 |
2.5 |
|
||
HH47X蝶式緩沖止回閥主要特點:
1、體形小、重量輕、結構長度只有旋啟式止回閥的三分之一左右。
2、緩閉系統性能優良,不受管道中介質的影響,閥瓣先速關后緩閉,可防止破環性水錘。
3、橡膠軟密封,封閉性能好,耐磨損,使用壽命長。
4、橡膠緩沖,啟閉平穩,無震動,無噪音。比老式止回閥流阻小,有明顯的節能效果。
HH47X蝶式緩沖止回閥主要外形尺寸(法蘭連接尺寸:PN10、16、25按JB/T78-94標準)
|
公稱通徑 |
尺寸(mm) |
|||
|
L |
H |
B1 |
B2 |
|
|
200 |
230 |
550 |
540 |
600 |
|
250 |
250 |
630 |
600 |
700 |
|
300 |
270 |
690 |
650 |
740 |
|
350 |
290 |
780 |
710 |
800 |
|
400 |
310 |
860 |
770 |
870 |
|
450 |
330 |
910 |
830 |
920 |
|
500 |
350 |
980 |
900 |
1000 |
|
600 |
390 |
1070 |
1090 |
1250 |
|
700 |
430 |
1220 |
1200 |
1360 |
|
800 |
470 |
1320 |
1320 |
1480 |
|
900 |
510 |
1430 |
1420 |
1580 |
|
1000 |
550 |
1550 |
1550 |
1700 |
|
1200 |
630 |
1800 |
1780 |
1950 |
|
1400 |
710 |
1980 |
2000 |
2175 |
水力控制閥更多相關產品:






