眼鏡閥
您的位置:超卓閥門 >>眼鏡閥 >> F43X手動扇形盲板閥F43X手動扇形盲板閥
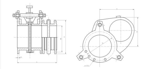
F43X型手動扇形盲板閥由左閥體、右閥體、中閥體、連接螺桿組成。用板手旋轉連接螺桿,使左右閥體完成夾緊和松開動作,利用閥板上盲板和通孔的位置變換達到閥門的啟閉目的。具有結構簡單、重量輕、性能可靠操作方便等特點。
F43X手動扇形盲板閥為短結構系列,橡膠密封分別安裝在左、右閥體上。
F43X手動扇形盲板閥產品外形圖
F43X手動扇形盲板閥主要外形連接尺寸
|
DN |
L |
D |
D1 |
H |
A |
b |
n-¢d |
質量 kg |
||
|
PN0.05 |
PN0.15 |
PN0.25 |
||||||||
|
100 |
210 |
210 |
170 |
230 |
202 |
12 |
4-18 |
20 |
22 |
25 |
|
150 |
210 |
265 |
225 |
260 |
270 |
16 |
8-18 |
25 |
27 |
30 |
|
200 |
230 |
320 |
280 |
310 |
350 |
18 |
8-18 |
45 |
50 |
55 |
|
250 |
250 |
375 |
335 |
330 |
400 |
18 |
12-18 |
74 |
80 |
88 |
|
300 |
270 |
440 |
395 |
350 |
450 |
18 |
12-23 |
135 |
145 |
160 |
|
350 |
290 |
490 |
445 |
380 |
500 |
18 |
12-23 |
165 |
180 |
195 |
|
400 |
310 |
540 |
495 |
405 |
550 |
24 |
16-23 |
210 |
230 |
250 |
|
450 |
330 |
595 |
550 |
430 |
600 |
26 |
16-23 |
260 |
280 |
300 |
|
500 |
350 |
645 |
600 |
750 |
680 |
26 |
16-23 |
310 |
340 |
375 |
|
600 |
390 |
755 |
705 |
830 |
840 |
26 |
20-26 |
400 |
440 |
458 |
|
700 |
430 |
860 |
810 |
880 |
1050 |
28 |
24-26 |
510 |
560 |
610 |
|
800 |
470 |
975 |
920 |
900 |
1150 |
28 |
24-30 |
620 |
680 |
745 |
|
900 |
470 |
1075 |
1020 |
1000 |
1300 |
28 |
24-30 |
760 |
835 |
915 |
|
1000 |
470 |
1175 |
1120 |
1100 |
1450 |
28 |
28-30 |
940 |
1030 |
1130 |
|
1200 |
510 |
1375 |
1320 |
1300 |
1550 |
28 |
32-30 |
1150 |
1300 |
1400 |
|
1400 |
510 |
1575 |
1520 |
1530 |
1700 |
30 |
36-30 |
1150 |
1700 |
1850 |
|
F43X手動扇形盲板閥訂貨須知: 訂貨時請填寫《規格書》或注明以下內容: 感謝您光顧我們公司,如需了解更多請登錄www.zjcz-v.com |





